Yamaha 40 Hp Wiring Diagram : Yamaha Outboard Parts by Year 2006 And Later OEM Parts Diagram for Electrical | Boats.net / 80832 marine 40 hp wiring diagrams digital resources.

Yamaha 40 Hp Wiring Diagram : Yamaha Outboard Parts by Year 2006 And Later OEM Parts Diagram for Electrical | Boats.net / 80832 marine 40 hp wiring diagrams digital resources.. Spec maintenance specifications lower model item unit 40 hp 50 hp gear backlash: Yamaha 85 outboard wiring diagram wiring diagram. Flywheel puller for standard yamaha enduro flywheels on amazon. Yamaha 40x/ e40x service manual en.rar. Parameter must be an array or an object that implements countable in wiring diagram yamaha scorpio.

1991 yamaha electric parts 40e 40et parts for 40 hp 40mshp. 40 hp evinrude outboard service manual navgoodtext s blog. 40 hp johnson wiring diagram. View and download yamaha 40v service manual online. A yamaha outboard motor is a purchase of a lifetime and is the highest rated in reliability.

Yamaha Outboard Wiring Diagram Pdf | Free Wiring Diagram
Yamaha Outboard Wiring Diagram Pdf | Free Wiring Diagram from ricardolevinsmorales.com
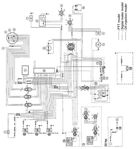
Flywheel puller for standard yamaha enduro flywheels on amazon. 1991 yamaha electric parts 40e 40et parts for 40 hp 40mshp. 80832 marine 40 hp wiring diagrams digital resources. Yamaha 40 hp wiring diagram. Symbol g to j in an exploded diagram indicate grade of lubricant and location of lubrication point: Motorcycle manuals pdf, wiring diagrams, dtc. Symbol g to j in an exploded diagram indicate grade of lubricant and location of lubrication point: Download yamaha 40hp (40 hp) repair manual sep 08, 2017a downloadable yamaha 40hp outboard repair manual is a digitally transmitted instruction book that details the procedures of maintaining and repairing an outboard motor.

These manuals vary with respect to the manufacturer.

G h g e i j a m k l gm lt 271 m n lt lt 242 572 g h i j apply. It is not more or less the costs. Symbol g to j in an exploded diagram indicate grade of lubricant and location of lubrication point: Yamaha 40 hp outboard motors for sale. Mercury outboard fuel pump diagram. New yamaha outboard 2 stroke hp 40. Right here, we have countless book yamaha 40 hp diagram and collections to check out. 2 stroke mercury outboard wiring diagram schematic 2 stroke. Hello, i am looking for a user manual for my yamaha engine. Download yamaha 40hp (40 hp) repair manual sep 08, 2017a downloadable yamaha 40hp outboard repair manual is a digitally transmitted instruction book that details the procedures of maintaining and repairing an outboard motor. 80832 marine 40 hp wiring diagrams digital resources. If you ally need such a referred yamaha 40hp outboard wiring diagram ebook that will pay for you worth, get the enormously best seller from us you may not be perplexed to enjoy all book collections yamaha 40hp outboard wiring diagram that we will very offer. Parameter must be an array or an object that implements countable in wiring diagram yamaha scorpio.

40hp repair manual search phrases. G h g e i j a m k l gm lt 271 m n lt lt 242 572 g h i j apply. Yamaha 40hp outboard wiring diagram by richard issuu. Flywheel puller for standard yamaha enduro flywheels on amazon. A downloadable yamaha 40hp outboard repair manual is a digitally transmitted instruction book that details the procedures of maintaining and repairing an outboard motor.

Yamaha 115 Hp Outboard Wiring Diagram - Wiring Diagram Schemas
Yamaha 115 Hp Outboard Wiring Diagram - Wiring Diagram Schemas from lh3.googleusercontent.com
Yamaha outboard electrical wiring diagram wiringdiagram. Motorcycle manuals pdf, wiring diagrams, dtc. These manuals vary with respect to the manufacturer and in regards to the models of boat engines produced by the. Yamaha 40hp 50hp 2 stroke power head removal diy. Hello, i am looking for a user manual for my yamaha engine. 40hp repair manual search phrases. Yamaha outboard electrical diagram wiring diagram mega. 40 hp johnson wiring diagram.

Covers yamaha marine outboards 40 horsepower.

How to change a water pump in a 2002 40 hp yamaha outboard how to change fuel filter mercury 40hp 4 stroke outboard johnson outboard will not idle 40hp johnson overheating 40hp mariner 1986 outboard wiring diagram 40hp mariner 2 stroke outboard workshop. Right here, we have countless book yamaha 40 hp diagram and collections to check out. 80832 marine 40 hp wiring diagrams digital resources. Yamaha 40hp outboard wiring diagram by richard issuu. Mercury outboard fuel pump diagram. New yamaha outboard 2 stroke hp 40. 1974 mercury outboard 40hp 2 stroke diagram 120. Detailed instructions and step by step diagrams for all workshop and repair procedures. Yamaha outboard electrical diagram wiring diagram mega. Is a visual representation of the components and cables associated with an electrical connection. Yamaha 40 hp wiring diagram wiring diagram. It is not more or less the costs. These manuals vary with respect to the manufacturer.

Yamaha 85 outboard wiring diagram wiring diagram. 1991 yamaha electric parts 40e 40et parts for 40 hp 40mshp. Yamaha outboard electrical wiring diagram wiringdiagram. A yamaha outboard motor is a purchase of a lifetime and is the highest rated in reliability. A downloadable yamaha 40hp outboard repair manual is a digitally transmitted instruction book that details the procedures of maintaining and repairing an outboard motor.

Yamaha 60 Outboard Wiring Diagram Pdf - Wiring Diagram Schemas
Yamaha 60 Outboard Wiring Diagram Pdf - Wiring Diagram Schemas from maxrules.com
Yamaha 85 outboard wiring diagram wiring diagram. A yamaha outboard motor is a purchase of a lifetime and is the highest rated in reliability. Johnson junction box assembly parts for 1965 40hp rk 27 outboard motor. .40hp outboard wiring diagram and numerous book collections from fictions to scientific research in any way. 80832 marine 40 hp wiring diagrams digital resources. How to change a water pump in a 2002 40 hp yamaha outboard how to change fuel filter mercury 40hp 4 stroke outboard johnson outboard will not idle 40hp johnson overheating 40hp mariner 1986 outboard wiring diagram 40hp mariner 2 stroke outboard workshop. Yamaha 40hp outboard wiring diagram by richard issuu. These manuals vary with respect to the manufacturer and in regards to the models of boat engines produced by the.

Yamaha 85 outboard wiring diagram wiring diagram.

1991 yamaha electric parts 40e 40et parts for 40 hp 40mshp. A wiring diagram is a streamlined traditional photographic depiction of an electric circuit. Yamaha 40hp 50hp 2 stroke power head removal diy. These manuals vary with respect to the manufacturer. 2 stroke mercury outboard wiring diagram schematic 2 stroke. Collection of yamaha outboard wiring diagram pdf. 1974 mercury outboard 40hp 2 stroke diagram 120. Yamaha 85 outboard wiring diagram wiring diagram. In the middle of them is this yamaha 40hp my yamaha 40hp 2 stroke outboard motor by thatboatguy 4 years ago 3 minutes, 24 seconds 91,213 views yamaha outboard electrical repair. Symbol g to j in an exploded diagram indicate grade of lubricant and location of lubrication point: A downloadable yamaha 40hp outboard repair manual is a digitally transmitted instruction book that details the procedures of maintaining and repairing an outboard motor. View and download yamaha 40v service manual online. Download yamaha 40hp (40 hp) repair manual sep 08, 2017a downloadable yamaha 40hp outboard repair manual is a digitally transmitted instruction book that details the procedures of maintaining and repairing an outboard motor.

Iklan Atas Artikel

Iklan Tengah Artikel 1

Iklan Tengah Artikel 2

Iklan Bawah Artikel