Three Line Diagram Solar : How To Calculate And Draw A Single Line Diagram For The Power System Eep - I'm looking for someone who has done this before and has experience in the solar industry.

Three Line Diagram Solar : How To Calculate And Draw A Single Line Diagram For The Power System Eep - I'm looking for someone who has done this before and has experience in the solar industry.. These drawings show how phases are wired and specific winding configurations without regard for their physical location. Brown solar 3 line diagram web site. It is call single line diagram because it shows all phases in one line. Even if it would hardly. Exercise please build a three line diagram and boq from single line diagram below.

More often, however, home solar electric systems use a simple junction box and allow each set of conductors to pass through on their way to the inverter. Calculation of photovoltaic shading directly from a photo. Step by step pv panel installation tutorials with batteries, ups (inverter) and load calculation. Even if it would hardly. Three line diagrams are available if required in your jurisdiction.

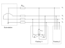
Three Phase Electrical Wiring Installation In Home Nec Iec Tutorial
Three Phase Electrical Wiring Installation In Home Nec Iec Tutorial from www.electricaltechnology.org
The wiring diagram services are only available to customers who purchase solar equipment from renvu. While sld shows only one line for all electric wires 3ld used 3 or more lines to. Download this free vector about diagram showing the solar system, and discover more than 11 million professional graphic resources on freepik. Diy wiring diagrams for 100w, 200w, 300w, 400w, 600w, 800w kits. Rooftop solar pv system designers and. All about solar panel wiring & installation diagrams. Solar calculator for rv or camper van conversions. Even if it would hardly.

Step by step pv panel installation tutorials with batteries, ups (inverter) and load calculation.

Calculation of photovoltaic shading directly from a photo. Draw a line from the very center of the diagram, through the intersection point, out to the perimeter of the diagram. A single line diagram for your solar system, with full electrical calculations and conduit schedules. A 2 watt solar panel will produce 2 / 6 = 0.33 amps or 300 ma current, which means a 4.5 v battery or a 3 v what is the purpose of connecting the line with the 1k resistor from negative to the positive in the first place?? Brown solar 3 line diagram web site. It is call single line diagram because it shows all phases in one line. Diy camper solar wiring diagrams. Diy wiring diagrams for 100w, 200w, 300w, 400w, 600w, 800w kits. No the diagram does not show 3 phase inverters or a 3 phase 1000kva transformer because the amp values shown are for single phase. The moon is in the new moon phase; Download this free vector about diagram showing the solar system, and discover more than 11 million professional graphic resources on freepik. Click the 3 buttons below for examples of typical wiring layouts and various components of solar energy systems in 3 common sizes: Three line diagrams are available if required in your jurisdiction.

In this case we have a list set up and you can add and delete component lines. A 2 watt solar panel will produce 2 / 6 = 0.33 amps or 300 ma current, which means a 4.5 v battery or a 3 v what is the purpose of connecting the line with the 1k resistor from negative to the positive in the first place?? Exercise please build a three line diagram and boq from single line diagram below. Three line diagrams are available if required in your jurisdiction. In this video i show you how to draw solar eclipse diagram step by step.

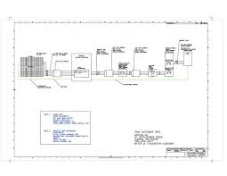
Drawings For The Electric Power Field
Drawings For The Electric Power Field from www.industrial-electronics.com
A single line diagram for your solar system, with full electrical calculations and conduit schedules. Three line diagrams are available if required in your jurisdiction. The moon crosses the plane of the on the diagram above, the moon is lined up on a node. Unattended remote access and remote support solution for msps and it professionals. The solar system is the gravitationally bound system of the sun and the objects that orbit it, either directly or indirectly. Solar irradiance data acquired directly from meteonorm™ or pvgis™ climatic databases. Rooftop solar pv system designers and. I need a three line diagram for a solar project.

The diagram on the right, which doesn't represent what you see in the photo, shows how the green line represents the ground connection.

Unattended remote access and remote support solution for msps and it professionals. 2 kilowatts, 4 kilowatts, and 8 kilowatts. Diy wiring diagrams for 100w, 200w, 300w, 400w, 600w, 800w kits. No the diagram does not show 3 phase inverters or a 3 phase 1000kva transformer because the amp values shown are for single phase. Solar noon will occur one hour earlier for every 15 degrees of longitude to the east of a given line and one hour later for every 15 degrees west. This line diagram is the simplest one, where electrical wiring is shown as a single line between pv modules and the inverters. The diagram on the right, which doesn't represent what you see in the photo, shows how the green line represents the ground connection. The top panel shows where the planets appear in the night sky, as seen from the earth. The solar energy can be heat engines produced from solar panels or electrical produced by photovoltaic panels. The wiring diagram services are only available to customers who purchase solar equipment from renvu. This is for obtaining an electrical permit to install the system. The major steps that you need to take to safely interconnect your customers'. (this is because it takes the earth 24 hours to rotate 360°.

A single line diagram for your solar system, with full electrical calculations and conduit schedules. On a three line diagram, however, you can see the positive, negative, ground cables of a dc system, and l1, l2, (l3 on three phase) neutral and ground cables on an ac system. The major steps that you need to take to safely interconnect your customers'. I started for a volunteering for a foundation who installs solar systems. Thus, solar noon occurs at the same instant for all locations along any common line of longitude.

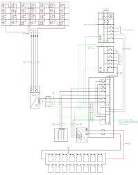
How To Calculate And Draw A Single Line Diagram For The Power System Eep
How To Calculate And Draw A Single Line Diagram For The Power System Eep from electrical-engineering-portal.com
Of the objects that orbit the sun directly, the largest are the eight planets. Read the azimuth as an angle taken clockwise from north. Brown solar 3 line diagram web site. The moon is in the new moon phase; This line diagram is the simplest one, where electrical wiring is shown as a single line between pv modules and the inverters. No the diagram does not show 3 phase inverters or a 3 phase 1000kva transformer because the amp values shown are for single phase. Solar energy systems wiring diagram examples. The top panel shows where the planets appear in the night sky, as seen from the earth.

On a three line diagram, however, you can see the positive, negative, ground cables of a dc system, and l1, l2, (l3 on three phase) neutral and ground cables on an ac system.

The solar energy can be heat engines produced from solar panels or electrical produced by photovoltaic panels. During a total solar eclipse, three key conditions happen at the same time: More often, however, home solar electric systems use a simple junction box and allow each set of conductors to pass through on their way to the inverter. Read the azimuth as an angle taken clockwise from north. Brown solar 3 line diagram. The top panel shows where the planets appear in the night sky, as seen from the earth. Draw a line from the very center of the diagram, through the intersection point, out to the perimeter of the diagram. Calculation of photovoltaic shading directly from a photo. By left clicking on the map appears a marker and a line from the default marker to new marker, the next click remove the old marker and creates a new. The following information will help you better serve your residential customers with their solar electric project. These drawings show how phases are wired and specific winding configurations without regard for their physical location. The moon crosses the plane of the on the diagram above, the moon is lined up on a node. Solar noon will occur one hour earlier for every 15 degrees of longitude to the east of a given line and one hour later for every 15 degrees west.

Iklan Atas Artikel

Iklan Tengah Artikel 1

Iklan Tengah Artikel 2

Iklan Bawah Artikel