1972 Chevy Ignition Wiring Diagram / 1972 Chevy C10 Ignition Switch Wiring Diagram Gem Car Fuse Box For Wiring Diagram Schematics - Speedway tech zach discusses the pertronix ignitor iii conversion in his '55 chevy.

1972 Chevy Ignition Wiring Diagram / 1972 Chevy C10 Ignition Switch Wiring Diagram Gem Car Fuse Box For Wiring Diagram Schematics - Speedway tech zach discusses the pertronix ignitor iii conversion in his '55 chevy.. The wiring diagram has brown and purple together, which mine does not. Complete basic car included (engine bay, interior and exterior lights, under dash harness, starter and ignition circuits, instrumentation, etc) original factory wire colors including. Improve your 1972 chevy suburban engine ignition timing with replacement ignition control modules & swithches available at carid. Use this chevy silverado stereo wiring schematic to install an aftermarket stereo or factory radio installing a stereo into your chevy silverado is easy to do with our truck audio wiring diagram. Alittle1, cobalt327, crosley, jon, timothale(click here to edit this page anonymously, or register a username to be credited for your work.) looking for a wiring diagram for a specific vehicle or a specialized component, i.e.

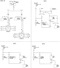
Chevy suburban 1972, ignition switch by wve®. In this video, i show how to replace the ignition switch on a 1968 chevy truck. This typical circuit diagram of the ignition coil, ignition control module, and pickup coil applies to: Type 1 wiring diagrams contributions to this section are always welcome. 1968 through 1972 diagrams show standard indicator light and optional full gauges printed circuit board connectors.

Chevy Nova Ignition Wiring Wiring Diagram And Law Breath Law Breath Worldwideitaly It
Chevy Nova Ignition Wiring Wiring Diagram And Law Breath Law Breath Worldwideitaly It from www.fixya.com
1992, 1993, 1994, 1995 chevrolet/gmc 1500, 2500, and 3500 pick up and suburban equipped with a 4.3l v6, or a 5.0l v8, or a 5.8l v8 engine. Lacetti ignition switch circuit diagram. 1974 assembly manual misc corvette electrical stuff specific diagrams. Ol' green was getting hard to start and randomly. 72 chevy wiring diagram rear light harness confuzzled the brake warning wires 1947 1972 c10 62 present 66 with dash problem 67 gm ignition switch car 68 problems non gauge bezel plug 1962 steering column 1966 truck tail 69 tach vega parking lights turn signals access 1969 colors. Automobile chevrolet 1967 chevelle service manual. 03 silverado ignition switch wiring diagram databa. Our chevrolet automotive repair manuals are split into five broad categories;

Lacetti ignition switch circuit diagram.

This typical circuit diagram of the ignition coil, ignition control module, and pickup coil applies to: Since you can see drawing and translating 1972 chevy truck wiring diagram may be complicated task on itself. These diagrams are easier to read once they are printed. Tahoe air conditioning wiring diagram. Ask your own chevy question. The diagram offers visual representation of a electric structure. Use this chevy silverado stereo wiring schematic to install an aftermarket stereo or factory radio installing a stereo into your chevy silverado is easy to do with our truck audio wiring diagram. These can serve as a guide or reference for you while restoring your. 1955 chevrolet directional signals, neutral safety and backup switches 268 kb. Starting system wiring diagram adptraining. This wire doesn't exist in this truck, so you'll need to run an accessory wire to the ignition column or the. Trying to find information concerning 93 chevy truck wiring diagram? 72 chevy wiring diagram rear light harness confuzzled the brake warning wires 1947 1972 c10 62 present 66 with dash problem 67 gm ignition switch car 68 problems non gauge bezel plug 1962 steering column 1966 truck tail 69 tach vega parking lights turn signals access 1969 colors.

Chevrolet chevy ii nova electrical wiring diagram 254 kb. These will not contain any optional, or accessory wiring info. A person can ask for a free print out at an automotive part store you have wires going to the carb on a 72 chevy c10? 03 silverado ignition switch wiring diagram databa. 1968 through 1972 diagrams show standard indicator light and optional full gauges printed circuit board connectors.

Diagram 1964 Chevy C10 Wiring Diagram Full Version Hd Quality Wiring Diagram Climatediagram Tickit It
Diagram 1964 Chevy C10 Wiring Diagram Full Version Hd Quality Wiring Diagram Climatediagram Tickit It from farm4.static.flickr.com
The diagram offers visual representation of a electric structure. Chevrolet chevy ii nova electrical wiring diagram 254 kb. Chevrolet malibu v8 ignition system wiring diagram 349 kb. This typical circuit diagram of the ignition coil, ignition control module, and pickup coil applies to: A person can find a free wiring diagram in the maintenance manual of the car. 1955 chevrolet car wiring diagrams 3 mb. Ask your own chevy question. Learn about the wiring of gm hei ignition distributors with our diagrams and guide.

Chevrolet chevy ii nova electrical wiring diagram 254 kb.

A person can find a free wiring diagram in the maintenance manual of the car. Ask your own chevy question. Use this chevy silverado stereo wiring schematic to install an aftermarket stereo or factory radio installing a stereo into your chevy silverado is easy to do with our truck audio wiring diagram. Since you can see drawing and translating 1972 chevy truck wiring diagram may be complicated task on itself. For example , when a module will be powered up and it sends out a new signal of half the voltage in addition to the technician will not know this, he'd think he provides a challenge, as he or she would. This wire doesn't exist in this truck, so you'll need to run an accessory wire to the ignition column or the. For additional wiring diagrams info, see electrical system (e) in the technical bulletins index. Automobile chevrolet 1967 chevelle service manual. Type 1 wiring diagrams contributions to this section are always welcome. 5/29/2009 10 wiring the fuel level gauge step 1: Modified diagram for trucks with hei ignition and internal regulator alternator with factory gauges. You could be a professional who wants to look for references or address existing issues. Im good ditching my brake light warning setup right?

Chevrolet truck headlight wiring diagram. You could be a professional who wants to look for references or address existing issues. 1955 chevrolet car wiring diagrams 3 mb. 1968 through 1972 diagrams show standard indicator light and optional full gauges printed circuit board connectors. Effectively read a wiring diagram, one offers to learn how the components inside the method operate.

72 Chevy 350 Ignition Wiring Diagram Ceiling Fan Wiring Diagram With Capacitor Loader Yenpancane Jeanjaures37 Fr
72 Chevy 350 Ignition Wiring Diagram Ceiling Fan Wiring Diagram With Capacitor Loader Yenpancane Jeanjaures37 Fr from i1.wp.com
1968 through 1972 diagrams show standard indicator light and optional full gauges printed circuit board connectors. Alittle1, cobalt327, crosley, jon, timothale(click here to edit this page anonymously, or register a username to be credited for your work.) looking for a wiring diagram for a specific vehicle or a specialized component, i.e. Use this chevy silverado stereo wiring schematic to install an aftermarket stereo or factory radio installing a stereo into your chevy silverado is easy to do with our truck audio wiring diagram. Improve your 1972 chevy suburban engine ignition timing with replacement ignition control modules & swithches available at carid. Chevrolet malibu v8 ignition system wiring diagram 349 kb. 1992, 1993, 1994, 1995 chevrolet/gmc 1500, 2500, and 3500 pick up and suburban equipped with a 4.3l v6, or a 5.0l v8, or a 5.8l v8 engine. Fuel injection, and can't seem to lay your hands on one? Learn about the wiring of gm hei ignition distributors with our diagrams and guide.

Lacetti ignition switch circuit diagram.

Speedway tech zach discusses the pertronix ignitor iii conversion in his '55 chevy. These diagrams are easier to read once they are printed. Effectively read a wiring diagram, one offers to learn how the components inside the method operate. A person can ask for a free print out at an automotive part store you have wires going to the carb on a 72 chevy c10? Im good ditching my brake light warning setup right? It's from petersons basic ignition and electrical systems, a hot rod magazine technical library book published in 1971 which i bought back when i had pimples all over my face (well, more. We have created colored wiring diagrams for your convenience. Lacetti ignition switch circuit diagram. Fuel injection, and can't seem to lay your hands on one? Learn about the wiring of gm hei ignition distributors with our diagrams and guide. The wiring diagram has brown and purple together, which mine does not. For example , when a module will be powered up and it sends out a new signal of half the voltage in addition to the technician will not know this, he'd think he provides a challenge, as he or she would. Chevy suburban 1972, ignition switch by wve®.

Iklan Atas Artikel

Iklan Tengah Artikel 1

Iklan Tengah Artikel 2

Iklan Bawah Artikel