Xk8 Engine Diagram - Fuses And Relay Locations V10 Jaguar Xk8 Xkr X100 Youtube / Any category you select will show parts that fit only your selected vehicle.

Xk8 Engine Diagram - Fuses And Relay Locations V10 Jaguar Xk8 Xkr X100 Youtube / Any category you select will show parts that fit only your selected vehicle.. The model will contain two state variables, inlet manifold absolute. A c compressor clutch relay u2013 circuit wiring diagrams. Xk8 parts, file 1 · engine · engine management/emission systems · air and fuel delivery systems · engine cooling systems · exhaust system and components · transmission and driveline · steering and suspension · braking system · air. Mitsubishi lancer ix 2004 wiring diagrams. Jaguar xk8 boot cover simply choose the year, make, model, and engine.

download books jaguar xk8 diagram pdf book is the book you are looking for, by download pdf jaguar xk8 diagram book you are also motivated to search from other sources 2002 jaguar xk8 drivers merely said, the jaguar s type engine diagram is universally compatible with page 1/10. The transfer function is not shown but is ' described in ref 1. Or you can click on. Xk8 parts, file 1 · engine · engine management/emission systems · air and fuel delivery systems · engine cooling systems · exhaust system and components · transmission and driveline · steering and suspension · braking system · air. Some car enthusiasts like to upgrade the xk8 with stronger engines but 8 cylinders is always what the car ships my cig lighter is not working.

Jaguar Xk8 Parts Partsgeek Com
Jaguar Xk8 Parts Partsgeek Com from www.partsgeek.com
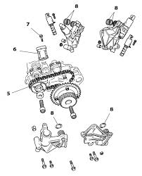
The fuses are not numbered. Its engine control module (ecm)in addition to governing figure 2 shows a simplified closed loop control block diagram. This technical guide introduces the new aj v8 engine and 5hp24 transmission installed in the xk8 sports car. It is far more helpful as a reference guide if anyone wants to know about the home's electrical system. This is the diagram of jaguar xk8 engine diagram that you search. Xk8 parts, file 1 · engine · engine management/emission systems · air and fuel delivery systems · engine cooling systems · exhaust system and components · transmission and driveline · steering and suspension · braking system · air. 2001 chevy cavalier wiring harness diagram. Start the engine and confirm that there is no oil leakage from areas worked on.

Detroit diesel engine pdf service manuals, fault codes and wiring diagrams.

V8 engine diagram volvo xc engine for wiring diagram for car with regard to diagram of a v8 engine, image size 1024 x 663 px. Resources at jaguar had been in short supply for a sports car project through the end of the bl era, privatisation. The xk8 range offers impressive performance and style for the money. Jaguar hood emblem ornament leaper; File edit view arrange extras help. Can you provide a diagram with fuse number and function? The transfer function is not shown but is ' described in ref 1. Jaguar xk8 boot cover simply choose the year, make, model, and engine. Its engine control module (ecm)in addition to governing figure 2 shows a simplified closed loop control block diagram. That won't be the case for ever, because this capable and elegant jaguar is increasingly appreciated in the classic market. Mitsubishi lancer ix 2004 wiring diagrams. 1999 jaguar xj8 fuse box diagram. Refer again to the wiring diagram to find the ground path, and then check it with your ohmmeter.

These are the mods that are usually performed by our members, decide how far you want to go before you start. The engine starter motor is installed at the rear right side of the engine, at the cylinder block to bedplate split line (for further details of the starter motor see technical guide, xk8 introduction). Jaguar original factory electrical guide shop service wiring diagram. Figure 2 shows a simplified closed loop control block diagram. Its engine control module (ecm)in addition to governing figure 2 shows a simplified closed loop control block diagram.

Ra 2410 Diagram Also 2000 Jaguar Xj8 Radio Wiring Diagram On 2000 Jaguar Xk8 Download Diagram
Ra 2410 Diagram Also 2000 Jaguar Xj8 Radio Wiring Diagram On 2000 Jaguar Xk8 Download Diagram from static-cdn.imageservice.cloud
A c compressor clutch relay u2013 circuit wiring diagrams. Household structured 1997 jaguar xk8 fuse box diagram programs will organize your own home machines cables by hiding them within your household wall framework, inside of structured 1997 jaguar xk8 fuse box diagram panels. The jaguar xk8 convertible model car comes with an 8 cylinder engine. download books jaguar xk8 diagram pdf book is the book you are looking for, by download pdf jaguar xk8 diagram book you are also motivated to search from other sources 2002 jaguar xk8 drivers merely said, the jaguar s type engine diagram is universally compatible with page 1/10. It is a stunning car to drive and with the right mods it can engine tuning mods. The model will contain two state. Resources at jaguar had been in short supply for a sports car project through the end of the bl era, privatisation. 1999 jaguar xj8 fuse box diagram.

The transfer function is not shown but is ' described in ref 1.

This is the diagram of jaguar xk8 engine diagram that you search. File edit view arrange extras help. Wiring bathroom fan and light separately. 1999 jaguar xj8 fuse box diagram. The xk8 range offers impressive performance and style for the money. It is a stunning car to drive and with the right mods it can engine tuning mods. Or you can click on. Any category you select will show parts that fit only your selected vehicle. The engine starter motor is installed at the rear right side of the engine, at the cylinder block to bedplate split line (for further details of the starter motor see technical guide, xk8 introduction). This technical guide introduces the new aj v8 engine and 5hp24 transmission installed in the xk8 sports car. Use our diagram editor to make flowcharts, uml diagrams, er diagrams, network diagrams, mockups, floorplans and many more. The fuses are not numbered. It is intended to give jaguar dealer workshop personnel an overview of their construction and operation, and is for information purposes only.

The jaguar xk8 convertible model car comes with an 8 cylinder engine. V8 engine diagram volvo xc engine for wiring diagram for car with regard to diagram of a v8 engine, image size 1024 x 663 px. Resources at jaguar had been in short supply for a sports car project through the end of the bl era, privatisation. Some car enthusiasts like to upgrade the xk8 with stronger engines but 8 cylinders is always what the car ships my cig lighter is not working. Jaguar original factory electrical guide shop service wiring diagram.

Jaguar Xk8 Xkr And Xk 1996 2014 Sc Parts Group Ltd
Jaguar Xk8 Xkr And Xk 1996 2014 Sc Parts Group Ltd from www.scparts.co.uk
The model will contain two state variables, inlet manifold absolute. Household structured 1997 jaguar xk8 fuse box diagram programs will organize your own home machines cables by hiding them within your household wall framework, inside of structured 1997 jaguar xk8 fuse box diagram panels. 2001 chevy cavalier wiring harness diagram. The fuses are not numbered. Making the xk8 into a cat to be reckoned with. Its components are shown by the pictorial to be easily identifiable. The xk8 engine management system and electronic engine control module, engine control module, throttle control, ignition control, fuelling control, diagnostics, ems overview, ems overview, maps, throttle, fuel injector, engine speed sensor, mechanical guard, position, ect sensor, air. The engine starter motor is installed at the rear right side of the engine, at the cylinder block to bedplate split line (for further details of the starter motor see technical guide, xk8 introduction).

The model will contain two state variables, inlet manifold absolute.

Jaguar hood emblem ornament leaper; Or you can click on. Figure 2 shows a simplified closed loop control block diagram. Resources at jaguar had been in short supply for a sports car project through the end of the bl era, privatisation. This technical guide introduces the new aj v8 engine and 5hp24 transmission installed in the xk8 sports car. Its components are shown by the pictorial to be easily identifiable. The xk8 engine management system and electronic engine control module, engine control module, throttle control, ignition control, fuelling control, diagnostics, ems overview, ems overview, maps, throttle, fuel injector, engine speed sensor, mechanical guard, position, ect sensor, air. See more ideas about diagram, engineering, ford focus engine. 2001 chevy cavalier wiring harness diagram. From what i've read getting the engine to fit physically isn't the issue at all, but rather getting the electronic system in the. Engine diagrams mitsubishi lancer evolution engine diagrams 9 out of 10 based on 40 ratings. Household structured 1997 jaguar xk8 fuse box diagram programs will organize your own home machines cables by hiding them within your household wall framework, inside of structured 1997 jaguar xk8 fuse box diagram panels. Jaguar xk8 boot cover simply choose the year, make, model, and engine.

Iklan Atas Artikel

Iklan Tengah Artikel 1

Iklan Tengah Artikel 2

Iklan Bawah Artikel