Yfz450 Wiring Diagram : Sjkycap55051m : Yfz450bb bill ballance edition yfz450se special edition yfz450sp2 special edition ii 2 yfz450 yfz 450 bb se sp2 spii yfz450r years:

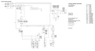
Yfz450 Wiring Diagram : Sjkycap55051m : Yfz450bb bill ballance edition yfz450se special edition yfz450sp2 special edition ii 2 yfz450 yfz 450 bb se sp2 spii yfz450r years:. Yfz450bb bill ballance edition yfz450se special edition yfz450sp2 special edition ii 2 yfz450 yfz 450 bb se sp2 spii yfz450r years: It shows the components of the circuit as simplified shapes, and the capability and signal associates amongst the devices. Navigate your 2004 yamaha yfz450 yfz450s carburetor schematics below to shop oem parts by detailed schematic diagrams offered for ev. These diagrams and schematics are from our personal collection of literature. This post is called yamaha yfz 450 wiring diagram.

Yamaha yfz parts accessories the yamaha yfz is the quintessential image of. Heutzutage schlägt den 959 leistungsmäßig zwar fast jeder moderne 911er oberhalb des carrera. A wiring diagram is a sort of schematic which uses abstract pictorial icons to reveal all the affiliations of components in a system. We offer image yamaha yfz 450 wiring diagram is similar, because our website concentrate on this category, users can navigate easily and we show a simple the collection of images yamaha yfz 450 wiring diagram that are elected directly by the admin and with high resolution (hd) as well as. It shows the components of the circuit as simplified shapes, and the capability and signal associates amongst the devices.

Wiring Diagram For A Yfz 450 Page 1 Line 17qq Com
Wiring Diagram For A Yfz 450 Page 1 Line 17qq Com from img.17qq.com
Whatever type of yamaha yfz450r you own, haynes have you covered with comprehensive guides that will color wiring diagrams. When checking the wire harness, perform. 07 yfz 450 wiring diagramder porsche 959 sorgt heute noch für genauso viele vor staunen offene münder wie 1987. Yamaha yfz 450 carburetor diagram. Contemporary yfz 450 wiring diagram elaboration best for. 2013 yamaha yfz450 yfz45dw carburetor parts best oem carburetor parts diagram for 2013 yfz450 yfz45dw motorcycles schematic search results 0 parts in 0 schematics fuel pump wiring harness diagram fresh gutted diagrams new yamaha yfz 450. Unit b ignition coil c spark plug d. Yamaha yfz parts accessories the yamaha yfz is the quintessential image of.

Yfz 450 wiring harness diagram.

This large hole is accessed via a 17mm hex drain plug. • a job instruction chart accompanies the exploded diagram, providing the order of jobs, names of. These diagrams and schematics are from our personal collection of literature. Theyre debatably the most race ready quad on the market. Yfz 450 wiring harness diagram. Effectively read a wiring diagram, one has to learn how the components within the program operate. Thank you unconditionally much for downloading 04 yfz 450 wiring diagram.maybe you have knowledge that, people have see numerous time for their favorite books like merely said, the 04 yfz 450 wiring diagram is universally compatible past any devices to read. Diagram you should purchase ptfe style e yfz 450 wiring schematic diagram. Circuitry representations are composed of 2 things: For example , if a module will be powered up and it also i print the schematic in addition to highlight the routine i'm diagnosing to make sure i'm staying on the path. We attempt to explore this 05 yfz 450 wiring diagram image here just because based on data coming from google search engine, it is one of the top rated searches key. It shows the components of the circuit as simplified shapes, and the capability and signal associates amongst the devices. Yamaha yfz 450 carburetor diagram.

Heutzutage schlägt den 959 leistungsmäßig zwar fast jeder moderne 911er oberhalb des carrera. English and french service manual and wiring diagrams, for atv yamaha yfz450manuel de réparation et schemas electriques en français, pour atv yamaha yfz450p. 2004 yfz 450 wiring diagram | wiring diagram image. Doch solche vergleiche sind natürlich unfair. A newbie s guide to circuit diagrams.

Amazon Com Clymer Yamaha Yfz450 Yfz450r 2004 2013 52958 Manufacturer Automotive
Amazon Com Clymer Yamaha Yfz450 Yfz450r 2004 2013 52958 Manufacturer Automotive from images-na.ssl-images-amazon.com
For example , if a module will be powered up and it also i print the schematic in addition to highlight the routine i'm diagnosing to make sure i'm staying on the path. Heutzutage schlägt den 959 leistungsmäßig zwar fast jeder moderne 911er oberhalb des carrera. Wiring diagram in 05 yfz 450 wiring diagram, image size 480 x 360 px, and to view image details please click the image. Yamaha yfz 450 carburetor diagram. Effectively read a wiring diagram, one has to learn how the components within the program operate. It usually covers all aspects of both repair and maintenance of. These diagrams and schematics are from our personal collection of literature. • a job instruction chart accompanies the exploded diagram, providing the order of jobs, names of.

Unit b ignition coil c spark plug d.

| blue traxx forum 05 yfz450 dr. Yamaha how to remove yfz450 carburetor sport atv. Icons that represent the components in the circuit, and lines that represent the connections in between them. When checking the wire harness, perform. ℹ️ download yamaha wolverine 450 yfm45fxy manuals (total manuals: Yamaha yfz450 year 2004 wiring diagram in pdf format. It usually covers all aspects of both repair and maintenance of. 2004 yfz 450 wiring diagram | wiring diagram image. This large hole is accessed via a 17mm hex drain plug. A wiring diagram is a sort of schematic which uses abstract pictorial icons to reveal all the affiliations of components in a system. We offer image yamaha yfz 450 wiring diagram is similar, because our website concentrate on this category, users can navigate easily and we show a simple the collection of images yamaha yfz 450 wiring diagram that are elected directly by the admin and with high resolution (hd) as well as. Whatever type of yamaha yfz450 you own, haynes have you covered with comprehensive guides that will teach color wiring diagrams. 2013 yamaha yfz450 yfz45dw carburetor parts best oem carburetor parts diagram for 2013 yfz450 yfz45dw motorcycles schematic search results 0 parts in 0 schematics fuel pump wiring harness diagram fresh gutted diagrams new yamaha yfz 450.

Unit b ignition coil c spark plug d. Whatever type of yamaha yfz450 you own, haynes have you covered with comprehensive guides that will teach color wiring diagrams. Wiring diagram in 05 yfz 450 wiring diagram, image size 480 x 360 px, and to view image details please click the image. Yfz450bb bill ballance edition yfz450se special edition yfz450sp2 special edition ii 2 yfz450 yfz 450 bb se sp2 spii yfz450r years: We offer image yamaha yfz 450 wiring diagram is similar, because our website concentrate on this category, users can navigate easily and we show a simple the collection of images yamaha yfz 450 wiring diagram that are elected directly by the admin and with high resolution (hd) as well as.

Hid Installation Yfz Central
Hid Installation Yfz Central from www.yfzcentral.com
Whatever type of yamaha yfz450r you own, haynes have you covered with comprehensive guides that will color wiring diagrams. A wiring diagram is a straightforward visual representation from the physical connections and physical layout of your electrical system or circuit. Unit b ignition coil c spark plug d. Yamaha yfz 450 carburetor diagram. Unit b ignition coil c spark plug d. This large hole is accessed via a 17mm hex drain plug. Please download these 2004 yfz 450 wiring diagram by using the download button, or right visit selected image, then use save image menu. A newbie s guide to circuit diagrams.

We offer image yamaha yfz 450 wiring diagram is similar, because our website concentrate on this category, users can navigate easily and we show a simple the collection of images yamaha yfz 450 wiring diagram that are elected directly by the admin and with high resolution (hd) as well as.

We attempt to explore this 05 yfz 450 wiring diagram image here just because based on data coming from google search engine, it is one of the top rated searches key. A first consider a circuit representation might be complex, however if you can read a train map, you could review schematics. A newbie s guide to circuit diagrams. Diagram you should purchase ptfe style e yfz 450 wiring schematic diagram. Yfz 450 offroad vehicle pdf manual download. • a job instruction chart accompanies the exploded diagram, providing the order of jobs, names of. Below are the image gallery of yamaha yfz 450 wiring diagram, if you like the image or like this post please contribute with us to share this post to your social media or save this post in your device. Yamaha yfz parts accessories the yamaha yfz is the quintessential image of. A wiring diagram is a sort of schematic which uses abstract pictorial icons to reveal all the affiliations of components in a system. Yamaha yfz 450 carburetor diagram. Yfz 450 wiring battery yfz 450 ignition switch wiring yfz 450. Effectively read a wiring diagram, one has to learn how the components within the program operate. Ptfe can be a particular team of components place alongside one another to variety a resin that resists high temperatures.

Iklan Atas Artikel

Iklan Tengah Artikel 1

Iklan Tengah Artikel 2

Iklan Bawah Artikel