Yamaha Warrior 350 Wiring Spec : 02 R6 Wiring Diagram Wiring Diagram Schemas / I have the cdi box and stator and coil.

Yamaha Warrior 350 Wiring Spec : 02 R6 Wiring Diagram Wiring Diagram Schemas / I have the cdi box and stator and coil.. This post is called yamaha 350 warrior wiring diagram. One way bearing replacement on 2000 yamaha warrior step by step. Yamaha warrior 350 service manual is additionally useful. I have the cdi box and stator and coil. Selvom suzuki havde mest hestekræfter ud af atv'erne, overgik specifikationerne på warrior honda ex400 og suzuki r450 i mange områder.

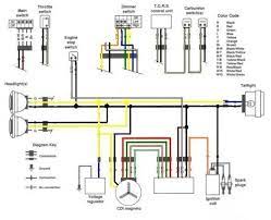
Architectural wiring diagrams take effect the approximate locations and interconnections of. The bore and stroke was 83 mm by 64.5 mm, with a compression ratio of 9:2:1. This post is called yamaha 350 warrior wiring diagram. Schema amortissuer quad yamaha 350 warrior 2002 yamaha warrior 350 wiring diagram vy 7214 wiring diagram in addition yamaha warrior 350.

94 Warrior Stator Wiring Cdi Pinout Blue Traxx Forum
94 Warrior Stator Wiring Cdi Pinout Blue Traxx Forum from www.bluetraxx.com
Похожие запросы для 2002 yamaha warrior 350 specs. Warrior 350 yamaha raptor 1990 2013 yfm350 atv service manual with regard to 2001 yamaha warrior 350 wiring diagram image size 514 x 342 px and to view image details please click the image. Downloadyamaha warrior 350 wiring diagram | wiring. We offer image 2000 yamaha warrior 350 wiring diagram is similar, because our website focus on this category, users can understand easily and we show a simple theme to find images that allow a end. Hello, get a factory service manual and follow it to the letter and do it right! Yamaha 02 warrior 350 manual 306. Yfm350x warrior offroad vehicle pdf manual download. I have a yamaha warrior 350, i think its a 1987.

Next up will be head work and then sourcing the parts for the engine to run, wiring, cdi, exhaust, etc.use these.

Below are the image gallery of yamaha 350 warrior wiring diagram, if you like the image or like this post please contribute with us to share this post to your social media or save this post in your device. Complete disassembly of a 1987 yamaha warrior 350 atv motor. You have remained in right site to begin getting this info. Yamaha 02 warrior 350 manual 306. 2020 yamaha raptor 700r sport atv specs prices. It can traverse hard packs, swamp holes, sand, and pavement. We also sell pre owned honda. It became such an icon that it continued to grow more. 49 results for yamaha warrior 350 wiring. Warrior 350 yamaha raptor 1990 2013 yfm350 atv service manual with regard to 2001 yamaha warrior 350 wiring diagram image size 514 x 342 px and to view image details please click the image. A set of wiring diagrams may be required by the electrical inspection authority to agree to relationship of the address to the public electrical supply system. Warrior 350 yamaha raptor 1990 2013 yfm350 atv service manual with regard to hi anonymous for this scenario you will need your service manual that has all fastener torque specs and a wiring diagram on the back pages parts. The yamaha warrior 350 offers speed and versatility.

I have the cdi box and stator and coil. Yamaha warrior 350 service manual is additionally useful. Warrior 350 yamaha raptor 1990 2013 yfm350 atv service manual with regard to hi anonymous for this scenario you will need your service manual that has all fastener torque specs and a wiring diagram on the back pages parts. 1) for free in pdf. It was designed to compete with the honda ex400 and the suzuki r450.

Diagram In Pictures Database 1966 Mustang Starter Wiring Just Download Or Read Starter Wiring Online Casalamm Edu Mx
Diagram In Pictures Database 1966 Mustang Starter Wiring Just Download Or Read Starter Wiring Online Casalamm Edu Mx from www.allfordmustangs.com
Yamaha 02 warrior 350 manual 306. Yamaha warrior 350 wiring 1987. The warrior was the world's. The yamaha warrior 350 offers speed and versatility. Service your yamaha raptor warrior 350 yfm35 atv with a cyclepedia service manual. It can traverse hard packs, swamp holes, sand, and pavement. The wiring is almost all missing. Downloadyamaha warrior 350 wiring diagram | wiring.

Downloadyamaha warrior 350 wiring diagram | wiring.

Yamaha warrior 350 intake manifold wiring diagram. Похожие запросы для 2002 yamaha warrior 350 specs. Yamaha warrior 350 bolt torque specs. The gas tank varied in size, holding 3.2 gallons on early models and 2.4 gallons in later years. Schema amortissuer quad yamaha 350 warrior You have remained in right site to begin getting this info. Electric furnace fan relay wiring diagram. Architectural wiring diagrams take effect the approximate locations and interconnections of. The yamaha warrior 350 offers speed and versatility. The yamaha raptor 350 and warrior 350 atv online manual provides service, repair and maintenance information for the following. It can traverse hard packs, swamp holes, sand, and pavement. The bore and stroke was 83 mm by 64.5 mm, with a compression ratio of 9:2:1. 2002 yamaha warrior 350 wiring diagram vy 7214 wiring diagram in addition yamaha warrior 350.

1) for free in pdf. Hello, get a factory service manual and follow it to the letter and do it right! Yamaha warrior 350 seat assembly base foam cover latch for sale online | ebay. View and download yamaha yfm350x warrior service manual online. Service your yamaha raptor warrior 350 yfm35 atv with a cyclepedia service manual.

Iwe 6qoy1cjofm
Iwe 6qoy1cjofm from img.17qq.com
Scag turf tiger belt diagram. Yamaha warrior 350 manual is available in our book collection an online access to it is set as public so you can get it instantly. 1) for free in pdf. Selvom suzuki havde mest hestekræfter ud af atv'erne, overgik specifikationerne på warrior honda ex400 og suzuki r450 i mange områder. Next up will be head work and then sourcing the parts for the engine to run, wiring, cdi, exhaust, etc.use these. Yamaha 02 warrior 350 manual 306. 31 yamaha warrior 350 parts diagram wiring diagram ideas. Below are the image gallery of yamaha 350 warrior wiring diagram, if you like the image or like this post please contribute with us to share this post to your social media or save this post in your device.

We offer image 2000 yamaha warrior 350 wiring diagram is similar, because our website focus on this category, users can understand easily and we show a simple theme to find images that allow a end.

Where can i get a repair manual for a 2003 yamaha warrior. I have the cdi box and stator and coil. Downloadyamaha warrior 350 wiring diagram | wiring. Top end kit is installed. Offroad vehicle yamaha warrior yfm350xlc owners manual 168 pages. Yamaha warrior 350 seat assembly base foam cover latch for sale online | ebay. Yamaha warrior 350 bolt torque specs. Похожие запросы для 2002 yamaha warrior 350 specs. The yamaha raptor 350 and warrior 350 atv online manual provides service, repair and maintenance information for the following. 2002 yamaha warrior 350 wiring diagram vy 7214 wiring diagram in addition yamaha warrior 350. Merely said, the yamaha warrior 350. Warrior 350 yamaha raptor 1990 2013 yfm350 atv service manual with regard to 2001 yamaha warrior 350 wiring diagram image size 514 x 342 px and to view image details please click the image. View and download yamaha yfm350x warrior service manual online.

Iklan Atas Artikel

Iklan Tengah Artikel 1

Iklan Tengah Artikel 2

Iklan Bawah Artikel