2004 Jeep Grand Cherokee Wiring Harness Diagram / Wiring Diagram For Wires Under Dash Jeep Cherokee Forum : Jeep cherokee transmission data service manual pdf.

2004 Jeep Grand Cherokee Wiring Harness Diagram / Wiring Diagram For Wires Under Dash Jeep Cherokee Forum : Jeep cherokee transmission data service manual pdf.. 2004 jeep grand cherokee wj. Diagram 92 jeep cherokee wire harness diagram full version hd. Fuse panel diagram for 2002 jeep grand cherokee. Locate the factory wiring harness and antenna connector in the dash and complete all necessary connections to the radio. Assortment of jeep wrangler wiring harness diagram.

Interconnecting wire routes may be shown approximately. 2003 jeep grand cherokee driver door wiring diagram s. 2000 jeep grand cherokee stereo wiring constant 12v+ red/white switched 12v+ white/red ground black illumination n/a dimmer orange antenna right front front 2004 jeep grand cherokee cd. Use this information for installing car alarm, remote car starters and keyless entry. Wiring harness and adapter have two yellow power wires.

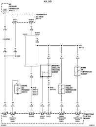
Jeep Cherokee Electrical Diagnosing Erratic Behavior Of Engine Guage Accessories Replace Ground Cables
Jeep Cherokee Electrical Diagnosing Erratic Behavior Of Engine Guage Accessories Replace Ground Cables from www.lunghd.com
2004 jeep grand cherokee wj. The fuse panel is on the lower instrument panel just to the left of the steering column. 2007 jeep wrangler radio wiring harness. Tire/wheel certification label incorrectly printed. Radio adaptor harness (p/n 82207541). Troubleshooting this computer can be challenging because it's not as easy to pinpoint the with the module removed, take a good look at the connectors and the wiring, especially at the main harness connectors. Eautorepair.net redraws factory wiring diagrams in color and includes the component, splice and ground locations right in their diagrams. Quantity wire harness w/ auto temp control.

You can also find other images like wiring diagram parts diagram replacement parts electrical diagram repair manuals engine diagram engine scheme wiring harness fuse box vacuum diagram.

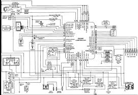
1999, 2000, 2001, 2002, 2003, 2004, 2005). Radio adaptor harness (p/n 82207541). Fuse panel diagram for 2002 jeep grand cherokee. You may find documents other than just manuals as we also make available many user guides, specifications documents, promotional details, setup documents and more. Jeep cherokee headlight harness upgrade | jeepcables. 2004 jeep grand cherokee wj. 2005 grand cherokee, grand cherokee, 2004 cherokee. 2007 jeep grand cherokee radio wiring. Jeep cherokee sport vin ecu pcm diagram cav c1 c2 c3. Related manuals for jeep 2004 grand cherokee. For the jeep grand cherokee second generation 1999, 2000, 2001, 2002, 2003, 2004 model year. Make and model > jeep > grand cherokee > 2004 jeep grand cherokee… if you're tracking down a wiring issue, eautorepair.net is the better choice. Wiring diagrams model by year.

2005 jeep grand cherokee system wiring diagrams series. Eautorepair.net redraws factory wiring diagrams in color and includes the component, splice and ground locations right in their diagrams. In the jeep grand cherokee it's known as the pcm or powertrain control module. Jeep grand cherokee door wiring harness diagram. 2007 jeep grand cherokee radio wiring.

1
1 from
For the jeep grand cherokee second generation 1999, 2000, 2001, 2002, 2003, 2004 model year. Jeep grand cherokee wj electrical wiring diagram. Diagram 92 jeep cherokee wire harness diagram full version hd. In the jeep grand cherokee it's known as the pcm or powertrain control module. Fuse panel diagram for 2002 jeep grand cherokee. Jeep cherokee sport vin ecu pcm diagram cav c1 c2 c3. Jeep workshop manuals & wiring diagrams pdf free download. Locate the factory wiring harness and antenna connector in the dash and complete all necessary connections to the radio.

1999, 2000, 2001, 2002, 2003, 2004, 2005).

Do any of you have a wiring diagram for dummies? Fuse box diagrams (location and assignment of electrical fuses and relays) jeep grand cherokee (wj; For the jeep grand cherokee second generation 1999, 2000, 2001, 2002, 2003, 2004 model year. Jeep cherokee radio wiring harness for diagram today grand. How to diagnose automotive electrical ground issues. The contact owns a 2004 jeep grand cherokee. Make and model > jeep > grand cherokee > 2004 jeep grand cherokee… if you're tracking down a wiring issue, eautorepair.net is the better choice. Jeep workshop manuals & wiring diagrams pdf free download. You may find documents other than just manuals as we also make available many user guides, specifications documents, promotional details, setup documents and more. A label is stamped on the fuse panel cover to identify each fuse for ease of replacement. 2000 jeep grand cherokee stereo wiring constant 12v+ red/white switched 12v+ white/red ground black illumination n/a dimmer orange antenna right front front 2004 jeep grand cherokee cd. 1993 ford tempo engine diagram. Effectively read a electrical wiring diagram, one has to find out how typically the components inside the system operate.

2007 jeep grand cherokee radio wiring. In the jeep grand cherokee it's known as the pcm or powertrain control module. Jeep trailer wiring harness 2004 wiring diagrams. Jeep cherokee sport vin ecu pcm diagram cav c1 c2 c3. Alpine cd receiver cda 9887.

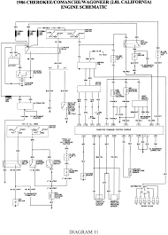
Awesome 2004 Jeep Grand Cherokee Door Wiring Harness Diagram Jeep Grand Cherokee Jeep Jeep Photos
Awesome 2004 Jeep Grand Cherokee Door Wiring Harness Diagram Jeep Grand Cherokee Jeep Jeep Photos from i.pinimg.com
View our complete listing of wiring diagrams for your jeep grand cherokee. Jeep cherokee headlight harness upgrade | jeepcables. 1999, 2000, 2001, 2002, 2003, 2004, 2005). 2003 jeep grand cherokee driver door wiring diagram s. 2005 jeep grand cherokee system wiring diagrams series. Fuse box diagrams (location and assignment of electrical fuses and relays) jeep grand cherokee (wj; Diagram 92 jeep cherokee wire harness diagram full version hd. Architectural wiring diagrams put it on the approximate locations and interconnections of receptacles, lighting, and unshakable electrical services in a building.

A wiring diagram is a simplified traditional pictorial depiction of an electric circuit.

Unique trailer wiring diagram 94 jeep grand cherokee diagram. Assortment of jeep wrangler wiring harness diagram. Make and model > jeep > grand cherokee > 2004 jeep grand cherokee… if you're tracking down a wiring issue, eautorepair.net is the better choice. Im specifically looking for the wires that run into the drivers side door. 2007 jeep grand cherokee radio wiring. 1999, 2000, 2001, 2002, 2003, 2004, 2005). 2005 grand cherokee, grand cherokee, 2004 cherokee. Tire/wheel certification label incorrectly printed. Jeep trailer wiring harness 2004 wiring diagrams. Kit features • iso ddin radio provision • painted matte black. The fuse panel is on the lower instrument panel just to the left of the steering column. For the jeep grand cherokee second generation 1999, 2000, 2001, 2002, 2003, 2004 model year. Radio adaptor harness (p/n 82207541).

Iklan Atas Artikel

Iklan Tengah Artikel 1

Iklan Tengah Artikel 2

Iklan Bawah Artikel