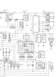
Yamaha Motorcycle Xj Wiring Diagram - How To Maintain Yamaha Motorcycle Wiring Color Codes / Yamaha xj1100 seca xj 1100 exploded view parts list diagram schematics here.

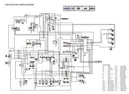
Yamaha Motorcycle Xj Wiring Diagram - How To Maintain Yamaha Motorcycle Wiring Color Codes / Yamaha xj1100 seca xj 1100 exploded view parts list diagram schematics here.. Yamaha bulldog wiring diagram 2002.jpg. The yamaha xsr900 abarth motorcycle and the fiat. £5 each online or download them in here for free!! Yamaha xj900 seca xj 900 exploded view parts list diagram schematics here. Yamaha xj1100 xj 1100 owners maintenance instruction manual here.

Click to see our best video content. Take a sneak peak at the movies coming out this week (8/12) july 31st marks harry potter's birthday We would like to show you a description here but the site won't allow us. £5 each online or download them in here for free!! Yamaha xj900 seca xj 900 exploded view parts list diagram schematics here.

1985 Maxim Xj 700 Craziness
1985 Maxim Xj 700 Craziness from www.xs650chopper.com
We would like to show you a description here but the site won't allow us. Lots of people charge for motorcycle service and workshop manuals online which is a bit cheeky i reckon as they are freely available all over the internet. Entdecke rezepte, einrichtungsideen, stilinterpretationen und andere ideen zum ausprobieren. Yamaha xj900 seca xj 900 exploded view parts list diagram schematics here. £5 each online or download them in here for free!! Yamaha bulldog wiring diagram 2002.jpg. Yamaha xj900 seca xj 900 model history and technical specifications here. Click to see our best video content.

Yamaha xj900 seca xj 900 model history and technical specifications here.

Yamaha xj900 seca xj 900 model history and technical specifications here. Lots of people charge for motorcycle service and workshop manuals online which is a bit cheeky i reckon as they are freely available all over the internet. Yamaha xj1100 xj 1100 workshop service repair manual. Yamaha xj900 seca xj 900 exploded view parts list diagram schematics here. Take a sneak peak at the movies coming out this week (8/12) july 31st marks harry potter's birthday Click to see our best video content. Yamaha bulldog wiring diagram 2002.jpg. Yamaha xj1100 xj 1100 owners maintenance instruction manual here. Yamaha gts microfiche '93 yamaha j xj fz yx 600 84 92 yamaha r6 99 02 yamaha rd350 r5c riders manual yamaha rd350lc owners manual (spanish) yamaha sr250g owners manual yamaha sr250 microfiches yamaha sr250 owners manual (spanish) yamaha sr250 repair manual yamaha srx6(4) wiring diagram yamaha srx6 '86 service manual (french) The yamaha xsr900 abarth motorcycle and the fiat. Free yamaha motorcycle service manuals for download. Entdecke rezepte, einrichtungsideen, stilinterpretationen und andere ideen zum ausprobieren. We would like to show you a description here but the site won't allow us.

Yamaha xj900 seca xj 900 exploded view parts list diagram schematics here. Yamaha xj1100 xj 1100 workshop service repair manual. We would like to show you a description here but the site won't allow us. We would like to show you a description here but the site won't allow us. Yamaha xj900 seca xj 900 model history and technical specifications here.

1986 Yamaha S Maxim Xj 700 750
1986 Yamaha S Maxim Xj 700 750 from databikes.com
Yamaha xj1100 xj 1100 owners maintenance instruction manual here. We would like to show you a description here but the site won't allow us. We would like to show you a description here but the site won't allow us. Yamaha xj1100 seca xj 1100 exploded view parts list diagram schematics here. Yamaha xj900 seca xj 900 exploded view parts list diagram schematics here. Yamaha bulldog wiring diagram 2002.jpg. The yamaha xsr900 abarth motorcycle and the fiat. Free yamaha motorcycle service manuals for download.

Take a sneak peak at the movies coming out this week (8/12) july 31st marks harry potter's birthday

Yamaha xj1100 xj 1100 owners maintenance instruction manual here. Yamaha xj1100 seca xj 1100 exploded view parts list diagram schematics here. Take a sneak peak at the movies coming out this week (8/12) july 31st marks harry potter's birthday Yamaha xj1100 xj 1100 workshop service repair manual. £5 each online or download them in here for free!! Yamaha xj900 seca xj 900 model history and technical specifications here. Yamaha xj900 seca xj 900 exploded view parts list diagram schematics here. Free yamaha motorcycle service manuals for download. Click to see our best video content. Yamaha bulldog wiring diagram 2002.jpg. We would like to show you a description here but the site won't allow us. The yamaha xsr900 abarth motorcycle and the fiat. Yamaha gts microfiche '93 yamaha j xj fz yx 600 84 92 yamaha r6 99 02 yamaha rd350 r5c riders manual yamaha rd350lc owners manual (spanish) yamaha sr250g owners manual yamaha sr250 microfiches yamaha sr250 owners manual (spanish) yamaha sr250 repair manual yamaha srx6(4) wiring diagram yamaha srx6 '86 service manual (french)

The yamaha xsr900 abarth motorcycle and the fiat. Yamaha xj900 seca xj 900 model history and technical specifications here. Yamaha gts microfiche '93 yamaha j xj fz yx 600 84 92 yamaha r6 99 02 yamaha rd350 r5c riders manual yamaha rd350lc owners manual (spanish) yamaha sr250g owners manual yamaha sr250 microfiches yamaha sr250 owners manual (spanish) yamaha sr250 repair manual yamaha srx6(4) wiring diagram yamaha srx6 '86 service manual (french) Take a sneak peak at the movies coming out this week (8/12) july 31st marks harry potter's birthday Lots of people charge for motorcycle service and workshop manuals online which is a bit cheeky i reckon as they are freely available all over the internet.

Yamaha Fj Owners Workshop Manual Pdf Download Manualslib
Yamaha Fj Owners Workshop Manual Pdf Download Manualslib from data2.manualslib.com
Yamaha xj900 seca xj 900 model history and technical specifications here. Entdecke rezepte, einrichtungsideen, stilinterpretationen und andere ideen zum ausprobieren. Yamaha bulldog wiring diagram 2002.jpg. Yamaha gts microfiche '93 yamaha j xj fz yx 600 84 92 yamaha r6 99 02 yamaha rd350 r5c riders manual yamaha rd350lc owners manual (spanish) yamaha sr250g owners manual yamaha sr250 microfiches yamaha sr250 owners manual (spanish) yamaha sr250 repair manual yamaha srx6(4) wiring diagram yamaha srx6 '86 service manual (french) £5 each online or download them in here for free!! Click to see our best video content. We would like to show you a description here but the site won't allow us. Yamaha xj1100 xj 1100 workshop service repair manual.

We would like to show you a description here but the site won't allow us.

Yamaha xj1100 xj 1100 owners maintenance instruction manual here. Yamaha xj1100 seca xj 1100 exploded view parts list diagram schematics here. Free yamaha motorcycle service manuals for download. Yamaha xj900 seca xj 900 exploded view parts list diagram schematics here. Entdecke rezepte, einrichtungsideen, stilinterpretationen und andere ideen zum ausprobieren. Take a sneak peak at the movies coming out this week (8/12) july 31st marks harry potter's birthday Yamaha xj900 seca xj 900 model history and technical specifications here. The yamaha xsr900 abarth motorcycle and the fiat. Yamaha gts microfiche '93 yamaha j xj fz yx 600 84 92 yamaha r6 99 02 yamaha rd350 r5c riders manual yamaha rd350lc owners manual (spanish) yamaha sr250g owners manual yamaha sr250 microfiches yamaha sr250 owners manual (spanish) yamaha sr250 repair manual yamaha srx6(4) wiring diagram yamaha srx6 '86 service manual (french) £5 each online or download them in here for free!! We would like to show you a description here but the site won't allow us. Lots of people charge for motorcycle service and workshop manuals online which is a bit cheeky i reckon as they are freely available all over the internet. We would like to show you a description here but the site won't allow us.

Iklan Atas Artikel

Iklan Tengah Artikel 1

Iklan Tengah Artikel 2

Iklan Bawah Artikel