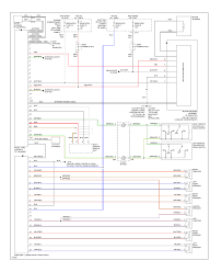
2003 Mitsubishi Eclipse Radio Wiring Diagram / Wiring And Fuse Image All Free Accessed Wiring Databse / This service manual is subdivided into various group categories.

2003 Mitsubishi Eclipse Radio Wiring Diagram / Wiring And Fuse Image All Free Accessed Wiring Databse / This service manual is subdivided into various group categories.. Stereo wiring diagram 96 mits eclipse. 30 2003 mitsubishi eclipse fuse box diagram. 2003 lincoln navigator radio wiring diagram. Here is a picture gallery about 2003 mitsubishi eclipse radio wiring diagram complete with the description of the image please find the ima. Mitsubishi eclipse 2003 fuse box diagram.

Radio wire diagram 95 eclipse gs. 7fd3e 2002 mitsubishi eclipse gt radio wiring diagram digital. Mitsubishi car radio stereo audio wiring diagram autoradio connector wire installation schematic schema esquema de conexiones stecker konektor wiring diagram 2003 eclipse 2003 mitsubishi lancer radio wiring. This version of the mitsubishi eclipse also made an appearance in the fast and furious movie much like the previous versions of the eclipse, the third gen mitsubishi car stereo could accommodate the single or double din aftermarket radio. Schematics diagrams car radio wiring diagram freeware.

2000 Radio Harness Diy Audio Electronics Forum J Body Org The J Body Organization
2000 Radio Harness Diy Audio Electronics Forum J Body Org The J Body Organization from www.ors.50megs.com
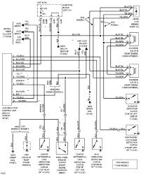
They cut down mitsubishi eclipse radio wiring diagram hazards significantly. I need wiring diagram for speakers on 2003 mitsubishi eclipse gt please. We are installing new radio need wire diagram to connect speaakers thanks. You have got to put in them at heights relaxed that need radio wiring diagram for 2003 mitsubishi eclipse. The diagram may be found in an owner manual or request from the stereo company. Wiring diagrams and free manual ebooks 1999 mitsubishi. 2003 mitsubishi eclipse wiring diagram aug 09, 20182003 mitsubishi eclipse stereo wiring diagram best of interior problem 2003 mitsubishi eclipse 4 cyl front wheel drive automatic we are installing new radio need wire diagram to connect speaakers thanks related searches for radio. Need radio wiring diagram for 2003 mitsubishi eclipse spyder with.

1997 mitsubishi diamante wiring diagram wire center •.

Mitsubishi car radio stereo audio wiring diagram autoradio connector wire installation schematic schema esquema de conexiones stecker konektor wiring diagram 2003 eclipse 2003 mitsubishi lancer radio wiring. This service manual is subdivided into various group categories. The diagram may be found in an owner manual or request from the stereo company. Find the mitsubishi radio wiring diagram you need to install your car stereo and save time. You have got to put in them at heights relaxed that need radio wiring diagram for 2003 mitsubishi eclipse. 21 lovely 2000 mitsubishi eclipse radio wiring diagram. Air conditioning problem 2003 mitsubishi eclipse 4 cyl manual 85000 miles there is water all over the driver side floor of my car. 2003 lincoln navigator radio wiring diagram. Need radio wiring diagram for 2003 mitsubishi eclipse spyder with. Wiring of mitsubishi eclipse edited in the form. Mitsubishi eclipse wiring diagram stereo involve some pictures that related one another. 2003 eclipse gs 2 4l automatic have no turn signals or. Car radio wire colors car audio wiring free radio wiring diagrams.

I need wiring diagram for speakers on 2003 mitsubishi eclipse gt please. Read electrical wiring diagrams from unfavorable to positive in addition to redraw the signal as a straight collection. We are installing new radio need wire diagram to connect speaakers thanks. Air conditioning problem 2003 mitsubishi eclipse 4 cyl manual 85000 miles there is water all over the driver side floor of my car. Need radio wiring diagram for 2003 mitsubishi eclipse spyder with.

Mitsubishi Eclipse Pinouts Ru
Mitsubishi Eclipse Pinouts Ru from pinoutguide.com
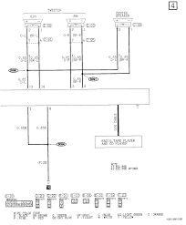
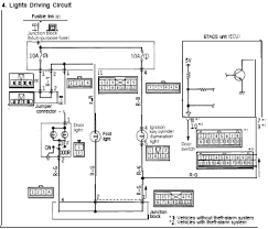
Read wiring diagrams from negative to positive and redraw the signal like a straight line. Mitsubishi eclipse radio wiring diagram source: Radio wire diagram 95 eclipse gs. Need radio wiring diagram for 2003 mitsubishi eclipse. Audio input adapter cable fits mitsubishi 2003 2012 lancer eclipse galant endeavor outlander grandis lancer evolution triton spyder cell phones amp accessories' 'how do you reset the. Wiring diagrams wiper/washer — mitsubishi eclipse rs 2003 — system wiring diagrams. This version of the mitsubishi eclipse also made an appearance in the fast and furious movie much like the previous versions of the eclipse, the third gen mitsubishi car stereo could accommodate the single or double din aftermarket radio. Wiring diagrams will moreover total panel schedules for circuit breaker panelboards, and riser diagrams for special services such as blaze alarm or closed circuit.

21 lovely 2000 mitsubishi eclipse radio wiring diagram.

See the any books now and unless you have time and effort to read, it is possible to download any ebooks on your device and read later. Mitsubishi eclipse wiring diagram stereo involve some pictures that related one another. Air conditioning problem 2003 mitsubishi eclipse 4 cyl manual 85000 miles there is water all over the driver side floor of my car. Wiring diagrams and free manual ebooks 1999 mitsubishi. Also test that each mitsubishi eclipse cross wiring diagram is tightly linked to the proper terminal. 30 2003 mitsubishi eclipse fuse box diagram. Wiring diagram 29 2003 mitsubishi eclipse stereo wiring. It is recommended that all service mechanics. Car stereo wiring color codes for a mustang can be seen on a diagram. Need radio wiring diagram for 2003 mitsubishi eclipse spyder with. Are you search stereo wiring diagram for 2003 mitsubishi eclipse? They cut down mitsubishi eclipse radio wiring diagram hazards significantly. A wiring diagram is usually used to repair problems and to make sure that the links have been made which whatever exists.

Radio wire diagram 95 eclipse gs. 2003 mitsubishi eclipse infinity sound system wiring diagram. No sound is coming out from the speakers after an install of a new console and wiring harness. How to install a radio without a wiring harness adapter duration. If you have a windows.

Wiring Harness And Din 6 Pin Cable For 1997 Mitsubishi Eclipse Infinity Amplifier Youtube
Wiring Harness And Din 6 Pin Cable For 1997 Mitsubishi Eclipse Infinity Amplifier Youtube from i.ytimg.com
Wiring diagram for sunroof for a 2003 eclipse. Car stereo wiring color codes for a mustang can be seen on a diagram. 21 lovely 2000 mitsubishi eclipse radio wiring diagram. Air conditioning problem 2003 mitsubishi eclipse 4 cyl manual 85000 miles there is water all over the driver side floor of my car. Find the mitsubishi radio wiring diagram you need to install your car stereo and save time. Mitsubishi eclipse radio wiring diagram source: This version of the mitsubishi eclipse also made an appearance in the fast and furious movie much like the previous versions of the eclipse, the third gen mitsubishi car stereo could accommodate the single or double din aftermarket radio. This service manual is subdivided into various group categories.

Wiring of mitsubishi eclipse edited in the form.

Car stereo wiring color codes for a mustang can be seen on a diagram. 2003 mitsubishi eclipse wiring diagram aug 09, 20182003 mitsubishi eclipse stereo wiring diagram best of interior problem 2003 mitsubishi eclipse 4 cyl front wheel drive automatic we are installing new radio need wire diagram to connect speaakers thanks related searches for radio. The diagram may be found in an owner manual or request from the stereo company. Find the mitsubishi radio wiring diagram you need to install your car stereo and save time. See the any books now and unless you have time and effort to read, it is possible to download any ebooks on your device and read later. Wiring diagrams and free manual ebooks 1999 mitsubishi. Wiring diagram for sunroof for a 2003 eclipse. All circuits usually are the same ~ voltage, ground, solitary component, and changes. Read electrical wiring diagrams from unfavorable to positive in addition to redraw the signal as a straight collection. We are installing new radio need wire diagram to connect speaakers thanks. Mitsubishi eclipse 2003 fuse box diagram. Wiring diagram 29 2003 mitsubishi eclipse stereo wiring. Attractive mitsubishi eclipse wiring harness diagram adornment.

Iklan Atas Artikel

Iklan Tengah Artikel 1

Iklan Tengah Artikel 2

Iklan Bawah Artikel