1986 Fuse Box Diagram / 1986 Pickup Interior Fuse Box Removal Yotatech Forums : Malcolm cail projects to try.

1986 Fuse Box Diagram / 1986 Pickup Interior Fuse Box Removal Yotatech Forums : Malcolm cail projects to try.. Chevrolet and gmc 1977 and 1980 c and k model fuse blocks the numbers eg. I wonder how the feul data center ever worked in the first place when i ran the car. Highlighted the cigarette lighter fuse (as the most popular thing people look for). Does anyone know where i can find a fuse box diagram online that is free for a 1986 mustang? Neeed fuse fuse box layout for 2003 dodge grand caravan i'm not sure about the fuse box layout on that model, but i do have a tip for finding fuse related problems.

Fuse box diagram and assignment of fuses chevrolet blazer, gmc jimmy (k5, k10 & v10) (1982, 1983, 1984, 1985, 1986, 1987, 1988, 1989, 1990, 1991). Where is the fuse box located on a 1986 chevy el camino trying to find out where the flasher unit is located chevrolet 1986 el camino question. This is the 1986 mustang engine bay fuse diagram of a pic i get coming from the chevy truck fuse box diagram package. Diagram should be on the inside of the fuse box or relay cluster lidcover. We sure that this is what you want to read.

1983 1992 Ford Ranger Fuse Box Diagrams The Ranger Station
1983 1992 Ford Ranger Fuse Box Diagrams The Ranger Station from www.therangerstation.com
Diagram 1986 ford f 150 fuse box diagram full version hd quality box diagram soadiagramassimssit. More about audi 80/90 fuses, see our website: Neeed fuse fuse box layout for 2003 dodge grand caravan i'm not sure about the fuse box layout on that model, but i do have a tip for finding fuse related problems. It is on a 1983 chevy k10 with ac and power windows and locks. Malcolm cail projects to try. A person can get a diagram of a fuse box for a 1986 toyota hiace from a toyota dealership. Diagram 1986 ford f 150 fuse box diagram full version hd quality box diagram soadiagramassimssit. This pin was discovered by ileana bragg.

Does anyone know where i can find a fuse box diagram online that is free for a 1986 mustang?

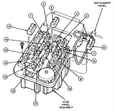
Put up by admin in january, 2 2015. Please right click on the image and save the photograph. Does anyone know where i can find a fuse box diagram online that is free for a 1986 mustang? A person can get a diagram of a fuse box for a 1986 toyota hiace from a toyota dealership. 1986 ford f150 302 engine diagram, 1986 ford f150 engine diagram, 1986 ford f150 engine wiring diagram,. And now, this can be the initial image: Fuse box diagram for 1986 chevy s10 all rear lights dont work cant read fuse box diagram chevrolet 1985 s 10 question. The diagram is surrounded by a alphanumeric loaction grid. I wonder how the feul data center ever worked in the first place when i ran the car. Diagram 1986 ford f 150 fuse box diagram full version hd quality box diagram soadiagramassimssit. Why we present this wiring diagram for you? Just put in new alternator and still seems to not work so need to check fuses. Neeed fuse fuse box layout for 2003 dodge grand caravan i'm not sure about the fuse box layout on that model, but i do have a tip for finding fuse related problems.

Everything seems to be working a lot smoother now. 1986 mustang fuse box diagram. The diagram is surrounded by a alphanumeric loaction grid. I need the diagram to check and see where all the fuses go, along with voltage of the fuses. This pin was discovered by ileana bragg.

Fuse Box Diagram 1986 F150 Diagram Base Website 1986 F150
Fuse Box Diagram 1986 F150 Diagram Base Website 1986 F150 from ktx.thusharanoukri.pw
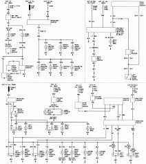
Porsche 944 1986 front engine fuse box/block circuit breaker diagram. Where is the fuse box located on a 1986 chevy el camino trying to find out where the flasher unit is located chevrolet 1986 el camino question. This the proper wiring diagram for your reading material this. 1986 k5 blazer fuse box this circuit diagram shows the overall functioning of a circuit. Fuse box diagram and assignment of fuses chevrolet blazer, gmc jimmy (k5, k10 & v10) (1982, 1983, 1984, 1985, 1986, 1987, 1988, 1989, 1990, 1991). Joined feb 16, 2009 · 15 posts. They had so many of the fuses in the wrong places it was a wonder anything worked correctly at all!! Diagram should be on the inside of the fuse box or relay cluster lidcover.

Chevrolet and gmc 1977 and 1980 c and k model fuse blocks the numbers eg.

Number 9 never had a fuse in it at all. It is a 10 amp fuse.its the last fuse in last row. Neeed fuse fuse box layout for 2003 dodge grand caravan i'm not sure about the fuse box layout on that model, but i do have a tip for finding fuse related problems. The diagram is surrounded by a alphanumeric loaction grid. 2003 ford f250 6 0l power stroke fuse box diagram needed. Highlighted the cigarette lighter fuse (as the most popular thing people look for). Put up by admin in january, 2 2015. This the proper wiring diagram for your reading material this. 1986 mustang fuse box diagram. Jonathan yarden mar 25, 2021 · 5 min. Discussion starter · #1 · feb 23, 2009. This kind of image (1986 ford f150 fuse box diagram | wiring diagram and fuse box diagram pertaining to 1986 ford f150 engine diagram) earlier mentioned can be branded along with: Fuse box diagram for 1986 chevy s10 all rear lights dont work cant read fuse box diagram chevrolet 1985 s 10 question.

Im needing a diagram of the under dash fuse box on a 1984 toyota sr5 with a 22re and automatic overdrive tranny. Samurai fuse box wire diagram. Get a cheap test light and connect the alligator clip to the negative battery terminal. They had so many of the fuses in the wrong places it was a wonder anything worked correctly at all!! This the proper wiring diagram for your reading material this.

Chevy Truck Fuse Block Diagrams Chuck S Chevy Truck Pages
Chevy Truck Fuse Block Diagrams Chuck S Chevy Truck Pages from www.chuckschevytruckpages.com
This kind of image (1986 ford f150 fuse box diagram | wiring diagram and fuse box diagram pertaining to 1986 ford f150 engine diagram) earlier mentioned can be branded along with: 1982, 1983, 1984, 1985, 1986, 1987, 1988, 1989, 1990, 1991, 1992, 1993 Get a cheap test light and connect the alligator clip to the negative battery terminal. Labeled fuse box diagram for 1986 truck the 1947 present chevrolet gmc truck message board network. Just put in new alternator and still seems to not work so need to check fuses. This the proper wiring diagram for your reading material this. 2003 ford f250 6 0l power stroke fuse box diagram needed. Where is the fuse box located on a 1986 chevy el camino trying to find out where the flasher unit is located chevrolet 1986 el camino question.

1986 ford f150 302 engine diagram, 1986 ford f150 engine diagram, 1986 ford f150 engine wiring diagram,.

The layout for the fuse box turned out to be exactly what i needed! Bo 2633] 1986 chevy truck wiring diagram furthermore dodge from samurai fuse box wire diagram , source:spon.gentot.icaen.shopa.mohammedshrine.org. Does anyone know where i can find a fuse box diagram online that is free for a 1986 mustang? Get a cheap test light and connect the alligator clip to the negative battery terminal. It is on a 1983 chevy k10 with ac and power windows and locks. A person can get a diagram of a fuse box for a 1986 toyota hiace from a toyota dealership. Just put in new alternator and still seems to not work so need to check fuses. Samurai fuse box wire diagram. 2003 ford f250 6 0l power stroke fuse box diagram needed. I wonder how the feul data center ever worked in the first place when i ran the car. When i use my turn signal in my 1986 toyota pickup every 5 6 uses it blows the fuse and my blinkers backup lights gas gauge and temp gauge stop working. Malcolm cail projects to try. Fuse box diagram for 1986 chevy s10 all rear lights dont work cant read fuse box diagram chevrolet 1985 s 10 question.

Iklan Atas Artikel

Iklan Tengah Artikel 1

Iklan Tengah Artikel 2

Iklan Bawah Artikel