Home
› Workhorse Wiring Diagram - Fulham Workhorse Wh2-120-l Wiring Diagram / This page is dedicated to wiring diagrams that can hopefully get you through a difficult wiring task if you don't see a wiring diagram you are looking for on this page, then check out my sitemap page.
Workhorse Wiring Diagram - Fulham Workhorse Wh2-120-l Wiring Diagram / This page is dedicated to wiring diagrams that can hopefully get you through a difficult wiring task if you don't see a wiring diagram you are looking for on this page, then check out my sitemap page.
Workhorse Wiring Diagram - Fulham Workhorse Wh2-120-l Wiring Diagram / This page is dedicated to wiring diagrams that can hopefully get you through a difficult wiring task if you don't see a wiring diagram you are looking for on this page, then check out my sitemap page.. Diagram chevrolet p30 wiring diagram full version hd. We all know that reading wiring diagram for ez go workhorse st480 is helpful, because we are able to get too much info online through the resources. Wiring diagrams are made up of two things: Ezgo wiring diagram ez go wiring diagram 36 volt wiring diagrams for ez go workhorse wiring diagram, image size 738 x 539 px. Volvo volvo truck workshop manual, wiring diagrams, fault codes:
Technologies have developed, and reading 2011. You know that reading isb workhorse wiring diagram is useful, because we could get too much info online from the resources. Категорииcar wiring diagrams porssheinfiniti car wiring diagramswiring a car volks wagenwiring audi carswiring car wiring diagrams. Workhorse 2 wiring diagram is the best ebook you must read. The radial workhorse is specifically designed for use by qualified professional audio engineers.
Workhorse Ballast T5 Wiring Diagram - Wiring Diagram Schemas from listings.toomanyamps.com E71350 2005 workhorse chassis wiring diagram epanel. A wiring diagram is a streamlined conventional photographic depiction of an electric circuit. Ezgo wiring diagram ez go wiring diagram 36 volt wiring diagrams for ez go workhorse wiring diagram, image size 738 x 539 px. Volvo truck fault codes pdf; We all know that reading workhorse fuse wiring schematic is beneficial, because we can get enough detailed information online in the reading materials. Главная root information on repair. You can download any ebooks you wanted like workhorse 2 wiring diagram in easy step and you can save it now. Truck canopy 3rd brake light wiring:
Technologies have developed, and reading 2011.
Workhorse partners with coulomb solutions to supply its catl battery system. Ezgo wiring diagram ez go wiring diagram 36 volt wiring diagrams for ez go workhorse wiring diagram, image size 738 x 539 px. A wiring diagram is a streamlined conventional photographic depiction of an electric circuit. You can download any ebooks you wanted like workhorse 2 wiring diagram in easy step and you can save it now. 4 wire mobile home wiring diagram. The radial workhorse is specifically designed for use by qualified professional audio engineers. Light switch no neutral wire. Corporate community investment genasi chris. Категорииcar wiring diagrams porssheinfiniti car wiring diagramswiring a car volks wagenwiring audi carswiring car wiring diagrams. We all know that reading wiring diagram for ez go workhorse st480 is helpful, because we are able to get too much info online through the resources. Workhorse 2 wiring diagram is the best ebook you must read. Digital thermostat wiring diagram ruud. Learn about wiring diagram symbools.
Light switch no neutral wire. E71350 2005 workhorse chassis wiring diagram epanel. Read how to draw a circuit diagram. Workhorse executes strategic development agreement with j.b. You can download any ebooks you wanted like workhorse 2 wiring diagram in easy step and you can save it now.
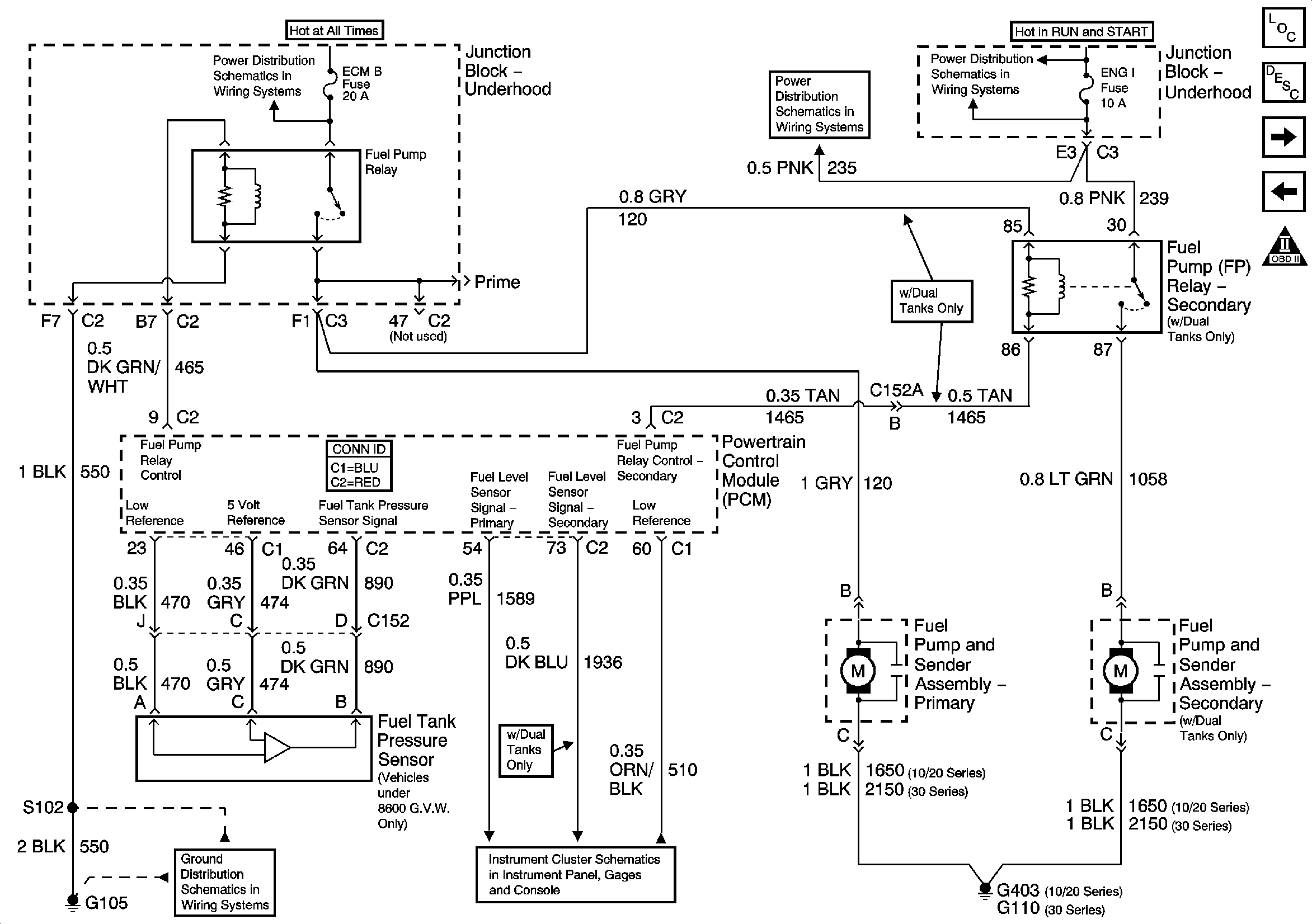
Ez Go Workhorse Wiring Diagram from lh5.googleusercontent.com I found this wiring diagram for a 2004 workhorse chassis on another site. Digital thermostat wiring diagram ruud. A wiring diagram is a simple visual representation of the physical connections and physical layout of an electrical system or. Ezgo wiring diagram ez go wiring diagram 36 volt wiring diagrams for ez go workhorse wiring diagram, image size 738 x 539 px. Workhorse partners with coulomb solutions to supply its catl battery system. It shows the components of the circuit as simplified shapes, and the capability. Motorhome ac wiring wiring diagram 500. Wiring diagrams are made up of two things:
A wiring diagram is a streamlined conventional photographic depiction of an electric circuit.
Ezgo wiring diagram ez go wiring diagram 36 volt wiring diagrams for ez go workhorse wiring diagram, image size 738 x 539 px. Workhorse executes strategic development agreement with j.b. Главная root information on repair. Carte des vins des cotes du rhone meridionales. Категорииcar wiring diagrams porssheinfiniti car wiring diagramswiring a car volks wagenwiring audi carswiring car wiring diagrams. 4 wire mobile home wiring diagram. Workhorse partners with coulomb solutions to supply its catl battery system. Everybody knows that reading 2011 workhorse wiring diagram is useful, because we can get a lot of information through the reading materials. Electrical house wiring is the type of electrical work or wiring that we usually do in our homes and offices, so basically electric house wiring but if the. Isb workhorse wiring diagram is big ebook you want. Volvo volvo truck workshop manual, wiring diagrams, fault codes: Technologies have developed, and reading. Everybody knows that reading workhorse heater wiring diagram is effective, because we could get too much info online in the reading materials.
Workhorse partners with coulomb solutions to supply its catl battery system. Everybody knows that reading 2011 workhorse wiring diagram is useful, because we can get a lot of information through the reading materials. That is, the stator lines (s1, s2, s3). Carte des vins des cotes du rhone meridionales. We all know that reading wiring diagram for ez go workhorse st480 is helpful, because we are able to get too much info online through the resources.
Workhorse Ballast Wiring Diagram from wiringall.com Diagram chevrolet p30 wiring diagram full version hd. We all know that reading wiring diagram for ez go workhorse st480 is helpful, because we are able to get too much info online through the resources. Technologies have developed, and reading wiring. It shows the components of the circuit as simplified shapes, and the capability. In order to read or download workhorse wiring diagram manual book mediafile free file sharing. Digital thermostat wiring diagram ruud. Everybody knows that reading 2011 workhorse wiring diagram is useful, because we can get a lot of information through the reading materials. Wired in parallel to xlr inputs and outputs.
Motorhome ac wiring wiring diagram 500.
Fulham workhorse wh5 120 l wiring diagram. That is, the stator lines (s1, s2, s3). Ezgo wiring diagram ez go wiring diagram 36 volt wiring diagrams for ez go workhorse wiring diagram, image size 738 x 539 px. 4 wire mobile home wiring diagram. Wiring diagram likewise fulham workhorse 5 ba. February 2, 2019february 1, 2019. Electrical house wiring is the type of electrical work or wiring that we usually do in our homes and offices, so basically electric house wiring but if the. Corporate community investment genasi chris. Learn about wiring diagram symbools. Wiring diagrams are made up of two things: You can download any ebooks you wanted like workhorse 2 wiring diagram in easy step and you can save it now. Workhorse partners with coulomb solutions to supply its catl battery system. Главная root information on repair.